Boeing Higher Education Program
![]() |
Today, due to the season when it’s easy to fall ill, only two people were able to attend the clas... December 25, 2024 |
![]() |
Today, we attached Japanese paper (washi) to the main wings. To start, we divided the wing into t... December 25, 2024 |
![]() |
During the previous work session, the trailing edge of the main wing broke due to insufficient co... December 18, 2024 |
![]() |
This week, we made significant strides in constructing the framework for both wings of our flying... December 11, 2024 |
![]() |
Today we worked on one of the main wings and the tail wing. For the main wings, we used the jigs ... December 11, 2024 |
![]() |
This week, we worked on applying black washi paper to one side of the horizontal and vertical sta... December 04, 2024 |
![]() |
Today, we attached Japanese paper (washi) to the tail assembly. To start, we covered the table wi... December 04, 2024 |
![]() |
This week, we constructed the tail assembly. First, we created a CAD design of the tail, then pri... November 27, 2024 |
![]() |
This time, we worked on assembling the tail unit using the full-scale design plans we had printed... November 20, 2024 |
![]() |
Today, we cut out the ribs for the main wing using a Beambox Pro laser cutter. We began by import... November 20, 2024 |
![]() |
We are Group A of the 2024 Academic Year, A Semester. First, we will explain the concept of our a... November 06, 2024 |
![]() |
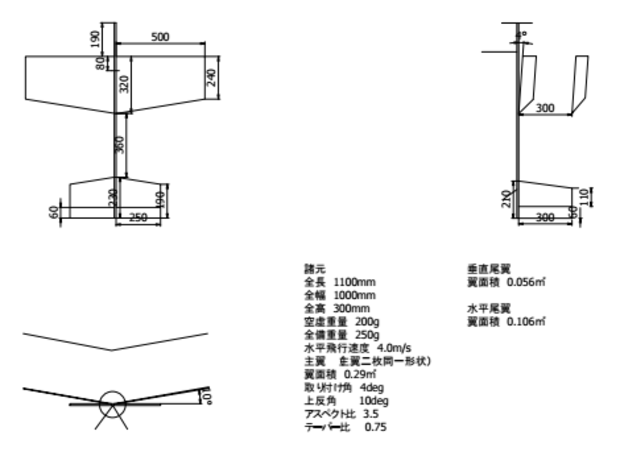
Today, we focused on the aircraft design and decided to adopt a V-tail configuration inspired by ... November 06, 2024 |
![]() |
We configured the arm switch on the transmitter and verified that all four motors functioned corr... July 03, 2024 |
![]() |
This week, we checked the operation of the rudder, elevator, and aileron. The rudder and elevator... July 03, 2024 |
![]() |
This is the Flying Robot Profect Team B, and we would like to share this week's progress. Today, ... July 03, 2024 |
![]() |
On 26 June, the seventh workday, we added diagonal elements to the upper and lower wings to incre... June 26, 2024 |
![]() |
This is the Flying Robot Profect Team B, and we would like to share this week's progress. Today,... June 26, 2024 |
![]() |
This week, we made the servo motor mounting parts, joined the left and right main wings, and full... June 26, 2024 |
![]() |
On the sixth session on June 19th, we cut out the remaining parts of the main wings from balsa wo... June 19, 2024 |
![]() |
This is the Flying Robot Project (2024S Semester) Team B, and we would like to share our progress... June 19, 2024 |
![]() |
Today, although the four motors moved well last time, they did not today. Two of the motors moved... June 19, 2024 |
![]() |
This week, we redesigned the joints between the left and right wings and the fuselage. First, the... June 19, 2024 |
![]() |
On June 12, the fifth session, we assembled the part connecting the upper and lower wings to the ... June 12, 2024 |
![]() |
This is the Flying Robot Project (2024S Semester) Team B, and we would like to share our progress... June 12, 2024 |
![]() |
Today, we finished assembling the electrical components and started testing them. Some of the mot... June 12, 2024 |
![]() |
This week, we proceeded with the fabrication of the aileron. The aileron spar is made of 3mm-diam... June 12, 2024 |
![]() |
In the fourth production, we assembled the lower wing framework and installed the tape hinges for... June 05, 2024 |
![]() |
This is the Flying Robot Project (2024S Semester) Team B, and we would like to share the progress... June 05, 2024 |
![]() |
Today, we assembled the electrical components. First, we soldered a connector that connects the l... June 05, 2024 |
![]() |
On May 29, the third session, we completed the framework of the horizontal tail fin and attached ... May 29, 2024 |
![]() |
This is the Flying Robot Project (2024S Semester) Team B. We would like to share the progress rep... May 29, 2024 |
![]() |
Today, we assembled our quadcopter, using the newly 3D-printed parts, redesigned based on the pro... May 29, 2024 |
![]() |
This week, I first cleaned up the plank of the left wing. Taking great care not to damage the fla... May 29, 2024 |
![]() |
In the second session on May 22, we applied washi paper to the vertical stabilizer that we had ma... May 22, 2024 |
![]() |
This is the Flying Robot Project (2024S Semester) Team B. We would like to share the progress rep... May 22, 2024 |
![]() |
Today, we checked the condition of a printed frame and confirmed the strength with torsion and st... May 22, 2024 |
![]() |
There were two main tasks. The first was to make mounts for joining the fuselage and wings. After... May 22, 2024 |
![]() |
Hello! In group A of the 2024 summer semester class, we decided to create a biplane capable of ae... May 08, 2024 |
![]() |
We are the Flying Robot Project (2024S Semester) Team B. We would like to share the progress repo... May 08, 2024 |
![]() |
Today, we gathered at the workshop to finalize the design of our own customized drone and borrowe... May 08, 2024 |
![]() |
Our group is working on a Flying Wing aircraft. This week, we worked on everything from cutting ... May 08, 2024 |
![]() |
Our aircraft is a T-tail with ailerons, a rudder, and an elevator. We have only built elevator an... May 08, 2024 |
![]() |
This week, group C shaped both wings and cut out the excess parts for joining. First, we worked o... January 17, 2024 |
![]() |
This week, Group D continuously proceeded with both the software and the body of the multicopter.... January 10, 2024 |
![]() |
This week, Team C completed one wing and started working on the other. The first task was to conn... January 10, 2024 |
![]() |
This week, Group D proceeded with making the multicopter itself and operating the software. As... December 27, 2023 |
![]() |
This week, Team C split into teams of two and one to install the planks and cut out the ribs on t... December 27, 2023 |
![]() |
This is Team A of the Flying Robot Project (2023A Semester), and we would like to provide a progr... December 20, 2023 |
![]() |
This week, Group D committed ourselves to making the body of the multicopter. First, we made th... December 20, 2023 |
![]() |
"This week, team B started working on the main wing section. The balsa materials were cut last w... December 20, 2023 |
![]() |
This week, Team C installed the planks. Last week, the cut-out ribs were fixed to the plans with... December 20, 2023 |
![]() |
This week, Group D continued working on the multicopter’s leg. We have almost finished laser-cut... December 13, 2023 |
![]() |
This week, our Team C was divided into groups of two and one person, each responsible for assembl... December 13, 2023 |
![]() |
Today we began making the horizontal tail wing of the flying robot. We followed the same procedur... December 13, 2023 |
![]() |
This week in Team C, we made progress on our project to build a fully-winged aircraft, as seen in... December 06, 2023 |
![]() |
Team D is making a multicopter with four propellers for vertical movement and two propellers for ... December 06, 2023 |
![]() |
This week, Team B successfully constructed the vertical tail fin. However, for the first experime... December 06, 2023 |
![]() |
This is the Flying Robot Project (2023A Semester) Team A. We would like to share the progress rep... December 06, 2023 |
![]() |
This week, the group continued to work on the main wings and stabilisers as per usual. The member... June 28, 2023 |
![]() |
I am Yuito Izumi, a first-year student in the College of Liberal Arts, Science I, and I am in cha... June 28, 2023 |
![]() |
This week we mainly connected electrical devices with conductors. We bundled several conductors w... June 28, 2023 |
![]() |
This week Group A continued to work on the main wing and tail wing at the same time as last week.... June 21, 2023 |
![]() |
This week we connected the PIXHAWK controller to the receiver and motors using the electronic spe... June 21, 2023 |
![]() |
We have completed the process of creating a 3D CAD model of the wing and converting it into a for... June 21, 2023 |
![]() |
This week, work was divided into two groups: members working on the main wings and members workin... June 14, 2023 |
![]() |
One of the members was absent this week due to illness. With three members working together, it w... June 14, 2023 |
![]() |
This week we reviewed and modified the structure of the center section of an all-wing aircraft. T... June 14, 2023 |
![]() |
I am Yuito Izumi, a first-year student in the College of Liberal Arts, Science I, and I am in cha... June 14, 2023 |
![]() |
This week, we started constructing the main wing using the ribs we cut out from the 3mm thick bal... June 07, 2023 |
![]() |
This is Alvin Praet, a third-year student of the faculty of Engineering Systems Innovation, who i... June 07, 2023 |
![]() |
Today we cut and glued balsa plates and cut carbon pipes. We also confirmed the assembly procedur... June 07, 2023 |
![]() |
This time, we finally determined the center of gravity, and the positions of the motor and batter... June 07, 2023 |
![]() |
Today, we used the laser cutter to cut the airfoil and other parts from balsa wood based on the b... May 31, 2023 |
![]() |
Continuing from last week’s work, we assembled the framework for the horizontal and vertical tail... May 31, 2023 |
![]() |
Today, we assembled the machine based on the blueprint we designed in CAD. Our machine consists o... May 31, 2023 |
![]() |
We are working on drone production as Group D. The other groups have six members, but our group h... May 24, 2023 |
![]() |
The general shapes of the main wings, horizontal stabilizers, and vertical stabilizer were determ... May 24, 2023 |
![]() |
My name is Alvin Praet and I am a 3rd year engineering student reporting for group C. Our airplan... May 24, 2023 |
![]() |
Our group is designing an all-wing aircraft. This time, we reviewed the design. In the original a... May 24, 2023 |
![]() |
In this class, I made the vertical tail fin, Nanako made the horizontal tail fin, and Atsushi use... December 22, 2021 |
![]() |
In this activity, we made a cable to connect one T-connecter (male) to six ESCs. Our hexacopte... December 22, 2021 |
![]() |
This week, we worked on the vertical tail wing, horizontal tail wing, fuselage, and main wing in ... December 15, 2021 |
![]() |
Our group made the main wing and tail. Atsushi used the laser cutter and cut the balsa parts of... December 15, 2021 |
![]() |
In this class, we installed and soldered the motor and feet. One of the ingenious things we did w... December 15, 2021 |
![]() |
The main thing we were able to do today was cut out the ribs. We have been working on the structu... December 15, 2021 |
![]() |
Today, we had several tasks going on at the same time. First, the vertical tail fin framework... December 01, 2021 |
![]() |
This week, our group started making the frame. The first thing we did was to cut the carbon pipe ... December 01, 2021 |
![]() |
Continuing from last week, we completed the main structure of our multicopter, which consists of ... December 01, 2021 |
![]() |
Today, we started our work in the lab. We decided to make horizontal and vertical tail fins firs... December 01, 2021 |
![]() |
Today we mainly worked on the skeleton of the vertical tail fin. Since our team only has first ye... November 24, 2021 |
![]() |
Our group was divided into two groups to work on the project. Nanako worked on the electrical com... November 24, 2021 |
![]() |
This time we assembled the body of the hexacopter. We used a laser cutter to cut out the balsa wo... November 24, 2021 |
![]() |
Nice to meet you, I am Goto, a freshman. On this day, I finished the tail wing that I made last t... November 24, 2021 |
![]() |
Since we had finished putting films on upper and lower parts of the main wings before, in the las... July 19, 2021 |
![]() |
Our group almost completed the assembly of the aircraft this time. At first, we removed the jig f... July 14, 2021 |
![]() |
We started applying the film to the upper and lower wings of the main wings. This work was more d... July 07, 2021 |
![]() |
This week, we assembled the remaining half of the main wing and assembled the main wing together.... July 07, 2021 |
![]() |
This time we created ribs used in the center. While we make most ribs of balsa wood, we make ribs... June 30, 2021 |
![]() |
We started by soldering the ESC and the motor together, which went much faster than last week, pr... June 30, 2021 |
![]() |
June is over in an instant. This is Kikuchi. Today we assembled the tail wing and curved wing. I... June 30, 2021 |
![]() |
Today, we finished cutting out ribs and jigs by laser cutter and cutting off foamed styrol for th... June 30, 2021 |
![]() |
Continuing from last week, our team made the body and the main wing this week. The body is like a... June 30, 2021 |
![]() |
These days in Japan, it is a rainy season called "Tsuyu." Balsa wood easily burns in laser cutter... June 23, 2021 |
![]() |
This time we created ribs used in the center. While we make most of ribs of balsa wood, we make r... June 23, 2021 |
![]() |
We started by soldering the ESC and the motor together, which went much faster than last week, pr... June 23, 2021 |
![]() |
Continuing from last week, our team made the body and the main wing this week. The body is like a... June 23, 2021 |
![]() |
Continuing from last week, our team made the body and the main wing this week. The body is like a... June 23, 2021 |
![]() |
We made frame structure of upper and lower wings of a circular wing. Then, leading edge of upper ... June 19, 2021 |
![]() |
This week, our team started building the tail assembly. We first printed out the full-scale tail ... June 16, 2021 |
![]() |
"Spring is Akebono, the world is Nasake, walking like the Mogami River. How are you doing in earl... June 16, 2021 |
![]() |
This week, we make the main wings and ailerons of balsa wood and put together the main wings and ... June 16, 2021 |
![]() |
There are three main things we did this week. First, we cut black paper according to the full-sca... June 16, 2021 |
![]() |
Hi, we are netfoth-2, and we are working on the flying robot project. The name netfoth-2 is an a... June 15, 2021 |
![]() |
This week we completed the detailed design of the structure. The original plan was to place the ... June 09, 2021 |
![]() |
Since we lost the race in using the laser cutter, we continued with looking at the Pixracer and Q... June 09, 2021 |
![]() |
We have decided to build a flying wing aircraft. By last week, we have completed the aerodynamic... June 02, 2021 |
![]() |
This week, we worked on learning how to set up Pixracer on the computer. As it was the first time... June 02, 2021 |
![]() |
This week, we modified the trihedral figure including structure based on the advice we received l... May 26, 2021 |
![]() |
The team name is BJ-ron, where BJ comes from “Black Jack” a manga one teammate like, and “ron” fr... May 26, 2021 |
![]() |
Our group had determined to create a BWB(Blended Wing Body) aircraft. Most of us didn’t know much... May 19, 2021 |
![]() |
This week, basic team made a trihedral figure including structure of airframe. Last time, we rec... May 19, 2021 |
![]() |
The main things we did this week were to improve the design of the aircraft using 3D CAD, choose ... May 19, 2021 |
![]() |
We, team Biplane (a tentative name) plan to make a ring-shaped wing because it produces stronger ... May 18, 2021 |
![]() |
We are going to make a tail-sitter aircraft (VTOL). It might be difficult to make VTOL, but we ho... May 17, 2021 |
![]() |
This week, Team B assembled the plane, attached electrical equipment, and conducted running test.... December 03, 2020 |
![]() |
This week, we made linkage and wheels, and finally completed our aircraft, Yukigake. We checked ... November 30, 2020 |
![]() |
We were able to complete to assemble almost all the parts of our plane this week. There are stil... November 23, 2020 |
![]() |
This Saturday, we put propellers on the multicopter and it actually fly . But on Sunday, for var... November 22, 2020 |
![]() |
This week we redesigned the aileron and vertical stabilizer. Also, after assembling the ribs on t... November 21, 2020 |
![]() |
We began to make the main wing using the jig we made last week. The ribs of the main wing were pr... November 19, 2020 |
![]() |
This week, Team B made tail wings. Also we connected upper wings and lower wings with struts. It... November 18, 2020 |
![]() |
On November 14 and 15, we decided the placements of the parts. We had to consider interference of... November 15, 2020 |
![]() |
From this week, we have started making an actual machine at Faculty of Engineering Building No.1... November 12, 2020 |
![]() |
This week, Team B made the tail wing. The original plan was to make the tail frame 5mm in thick, ... November 10, 2020 |
![]() |
This week we discussed the selection of components and the aircraft design. We checked the weight... November 10, 2020 |
![]() |
Before we set about making airplane body, we were first instructed in how to use a laser-beam pri... November 08, 2020 |
![]() |
This week, Team A has almost finalized the structure of the multicopter. If we make the whole bod... November 05, 2020 |
![]() |
This week, we discussed how to protect electrical components from water and the shape of legs. We... November 04, 2020 |
![]() |
This week we talked about more detailed aircraft design, parts selection and manufacturing proces... November 04, 2020 |
![]() |
At the beginning, we modified our trihedral drawing since it was pointed that aspect ratio was to... October 31, 2020 |
![]() |
This week, Team B produced a detailed blueprint. We decided the specific structure of the main an... October 29, 2020 |
![]() |
This week we decided what kind of multicopter we will produce. We are going to make a simple quad... October 28, 2020 |
![]() |
Our group, Team B, has decided to make a biplane. This week, we decided the specifications of the... October 28, 2020 |
![]() |
The member of teamA is Daiki Sawa and Ryousuke Takayama. And Mr. Kim is instructing us. This week... October 28, 2020 |
![]() |
Group C is going to make a flying wing aircraft. This week, we decided a wing shape and an airf... October 26, 2020 |
![]() |
We(group D) decided to make a hydroplane. However, we do not have any place for the plane to take... October 25, 2020 |
![]() |
We started by soldering the ESC and the motor together, which went much faster than last week, pr... June 30, 2020 |
![]() |
Our group, Group A, has decided to make an all-wing aircraft. The all-wing aircraft has the compl... February 05, 2020 |
![]() |
In the previous plan, we wanted to make a new drone body part slightly larger than the existing d... January 15, 2020 |
![]() |
Our group, Group A, has decided to make an all-wing aircraft. The all-wing aircraft has the compl... January 08, 2020 |
![]() |
Our group, Group A, has decided to make an all-wing aircraft. The all-wing aircraft has the compl... December 18, 2019 |
![]() |
This week, we made a good progress both in making the body and in the control methods. First, fo... December 15, 2019 |
![]() |
From today, we started to code our programs for controlling the aircraft. Since we decided to uti... December 12, 2019 |
![]() |
Today, after assembling the propeller, programming was set up so that the propeller responds to p... December 11, 2019 |
![]() |
Last time, we would plan to connect the propeller junction, which is to be produced with a 3D pri... December 11, 2019 |
![]() |
Our group, Group A, has decided to make an all-wing aircraft. The all-wing aircraft has the compl... December 11, 2019 |
![]() |
Hello, I’m Kenta Tanada, a member of group D of flying robot project in 2019 autumn. In this wee... December 10, 2019 |
![]() |
This week, we assembled a balsa that was part of the Magnus mechanism. In order to create a str... December 04, 2019 |
![]() |
今週は機体製作と制御の両方でかなりの進歩があった。 まず、機体製作では、当初から行なっていた3次元構造設計に誤りがあったので、全体を大幅に見直した。まず、キャンバーの厚みが薄く強度不足が懸念さ... December 04, 2019 |
![]() |
This time using a laser cutter, I cut out parts of the Magnus mechanism and tail parts (circle, r... November 20, 2019 |
![]() |
In the last meeting, we were going to create a protector for the propeller by using veneer and ma... November 20, 2019 |
![]() |
Today, we received our parts and the flight controller team discussed what program we should make... November 20, 2019 |
![]() |
This week, we originally planned to make a circuit and code for reading S-BUS. However, only aft... November 20, 2019 |
![]() |
This time, we made a drone body by cutting the balsa plate with a laser cutter and purchased a mo... November 17, 2019 |
![]() |
Today's main task was to master how to use 3D printers and laser cutters. In the meeting held las... November 13, 2019 |
![]() |
Hello, I’m Take Okamoto, from group D of flying robot project 2019 autumn. In today’s class, we h... November 06, 2019 |
![]() |
We are taking this course again to complete building Sierra, the plane we are making since the la... November 05, 2019 |
![]() |
Making the Flying Robot report Group A, Takumi Endo, November 5 Our group, Group A, has decid... November 05, 2019 |
![]() |
Hello, I'm Masaya Ido, from group D of flying robot project 2019autumn. We are going to build an ... October 31, 2019 |
![]() |
Last week, we divided our team member of five into a body production team and a control team. And... October 30, 2019 |
![]() |
Our group wants to make an interesting plane, so we decided to make the one which is uses the the... October 30, 2019 |
![]() |
Hello, I'm K form team E. This time we made all the parts set. Picture shows the completed plan... July 24, 2019 |
![]() |
We conducted our first flight test for our plane. We were excited that we will finally were able ... July 24, 2019 |
![]() |
Last time we calculated the position of the center of gravity and attached the main winds and the... July 17, 2019 |
![]() |
Today, our team continued to produce the drone part. The size of the drone was a relatively larg... July 10, 2019 |
![]() |
We held a regular meeting for flying robot and did three main works on July 10th. The first is as... July 10, 2019 |
![]() |
In the class, we made the connection part of the frame. In the last class, main bodies were made.... July 10, 2019 |
![]() |
We are still working on the gravity center adjustment device (GCAD). The main parts of GCAD were ... July 03, 2019 |
![]() |
We couldn’t finish soldering in the last time, so we continued doing it in this time. Basicall... July 03, 2019 |
![]() |
Today, our team continued to product the drone part. The size of the drone was a relatively larg... July 03, 2019 |
![]() |
Last week, we could successfully control a servo motor, but we didn't use the remote controller t... July 03, 2019 |
![]() |
Hello, We are team E Because I intended to do a flight test this time,I installed the all equipm... June 26, 2019 |
![]() |
In today’s class, we attached two servos for rudders to wing tips and attached landing gears to t... June 26, 2019 |
![]() |
This week, we assembled the main wing. We connected the wings that we finished last week with som... June 26, 2019 |
![]() |
We worked on the pitching balance device, which is one of the most characteristic points of our a... June 26, 2019 |
![]() |
We couldn’t finish soldering in time during last class, so we continued doing it in this class ti... June 26, 2019 |
![]() |
We worked on the pitching balance device, which is one of the characteristics of our aircraft. Yo... June 26, 2019 |
![]() |
This is team A. And we want to report our plan progressing this week.This week, we did two main t... June 19, 2019 |
![]() |
Hello, we are team B. This week, our group mainly assembled the parts we have made. First, we cu... June 19, 2019 |
![]() |
We are group D. This time, we worked on bones and structures of our airplane. Since we are going ... June 19, 2019 |
![]() |
We are group D. This time, we worked on the structures of our airplane. Since we are going to mak... June 19, 2019 |
![]() |
We held a regular meeting for flying robot and did two main works on June 19th. One is extension ... June 16, 2019 |
![]() |
We are team B of Flying Robot Project 2019 and making a double-wing aircraft which uses ailerons ... June 12, 2019 |
![]() |
Last week, we confirmed the rotation of motors and the connection of the circuits. The next thi... June 12, 2019 |
![]() |
This week, we finally finished procuring all the necessary parts and started on the last phase of... June 12, 2019 |
![]() |
Although we'd thought that we can fly our aircraft, we couldn't finish all of our tasks. However,... June 12, 2019 |
![]() |
One of the most challenging parts of our work is to create a device for adjustment of the plane's... June 12, 2019 |
![]() |
Last week, we finished creating two pairs of tail assembly and one pair of main wings. Thanks to ... June 12, 2019 |
![]() |
We started PX4 setting this week. PX4 is a well-developed software/hardware for automated flying... June 05, 2019 |
![]() |
We, team C, almost completed the structure of our airplane. Since our plane has ring-wing, insert... June 05, 2019 |
![]() |
This week we teamA have completed building the main wings and assembly of two sets of tail wings.... June 05, 2019 |
![]() |
This week, we changed the designs of ribs and reinforcements before the class. During the... June 05, 2019 |
![]() |
Hello, I'm K from team E. Let me tell you team E's progress from last week. Mr. H set papers o... June 05, 2019 |
![]() |
This week, We worked on wing structure and motor mounting.Right wing structure which we have made... June 05, 2019 |
![]() |
In the last class, a power module was broken and we couldn’t fix it. We ordered a new one at an ... June 05, 2019 |
![]() |
Until the previous class, we had already completed the basic structure of each wing, but other mo... May 29, 2019 |
![]() |
We made 2 groups. One group was in charge of main wing and the other group was in charge of tail ... May 29, 2019 |
![]() |
We had the 5th meeting on May 31, 2019. This article describe how our team is going on and small ... May 29, 2019 |
![]() |
Our team is trying to create a hybrid of a quadcopter and a fixed wing airplane. Therefore, we de... May 29, 2019 |
![]() |
In today’s class, we designed and made reinforcing elements, elevons and vertical stabilizers. ... May 29, 2019 |
![]() |
Hi, I would like to talk about team E’s Progress. Our plane S.K.H.Q. has a twisted thin wing with... May 22, 2019 |
![]() |
I modified a part of the three-dimensional structure created last week. We discussed how to cre... May 22, 2019 |
![]() |
Today, we continued soldering of connectors and the design of the drone body. The connector was m... May 22, 2019 |
![]() |
This week, we began to cut out the parts and build the plane, from the plans and concept designs.... May 22, 2019 |
![]() |
We are team B of Flying Robot Project 2019 and making a double-wing aircraft which uses ailerons ... May 22, 2019 |
![]() |
Continuing from last week, we made our prototype of the airplane. Last week, we cut styrene boar... May 22, 2019 |
![]() |
Last week,our team made some parts of the tail assembly and a pair of supports which help us maki... May 22, 2019 |
![]() |
This day was the first day we started actual construction work for making our flying robot. The ... May 15, 2019 |
![]() |
We mainly did three things this week. First, we checked the calculation we did in the past. We... May 15, 2019 |
![]() |
This week, the first thing we did was to make a shopping list. 2x [servo] EMAX ES09A 2x [serv... May 15, 2019 |
![]() |
Last week, we made all parts in our aircraft's tale assembly. Then we started making the main win... May 15, 2019 |
![]() |
Based on the three-dimensional structure created last week, we started making aircraft prototype... May 15, 2019 |
![]() |
Last week, our team designed structure of our aircraft. Our team is going to participate in the“... May 08, 2019 |
![]() |
Hello, I would like to introduce our team E‘s airplane, “S.K.H.Q. “.We will be challenging on a ... May 08, 2019 |
![]() |
We are team D and we are going to make a airplane that consists of multi copters and fixed wings... May 08, 2019 |
![]() |
According to the comments from a teaching assistant regarding the construction plan which we sub... May 08, 2019 |
![]() |
At the 2nd meeting, four main works were proceeded which were including design, research and disc... May 08, 2019 |
![]() |
Report from Team F, Apr. 24th Three members of the team exchanged their ideas of the aircraft ... April 24, 2019 |
![]() |
In today’s class, we were grouped into teams and each team decided the concept of the aircraft. O... April 24, 2019 |
![]() |
Hello, we are team B for the summer semester 2019. We have six team members, one junior (major i... April 24, 2019 |
![]() |
This week, we were divided into groups. We talked about what kind of plane we would like to make,... April 24, 2019 |
![]() |
Today, we discussed what type of flying robot we will be making. Our team wanted to make a flyin... April 24, 2019 |
![]() |
The update of the blog post was delayed due to busy for a while, but the flapping machine was com... February 06, 2019 |
![]() |
Last our activity gave us a supposition that birds would get not lift but thrust by flapping. Our... December 12, 2018 |
![]() |
Design Concept Our team decided to create a machine which flies by its wings flapping like a bi... December 12, 2018 |
![]() |
Today, our team tried using a laser cutter and a 3D printer. When we used the laser cutter befor... November 28, 2018 |
![]() |
This week, our team made ribs and two main landing gears of an airplane. We decided to use EPP(e... December 12, 2018 |
![]() |
Last week, we make two vertical tail wings and a horizontal tail wing. As you know, the aircraft ... December 05, 2018 |
![]() |
We decided to make a twin-boom model airplane with a pusher configuration. A pusher configuratio... November 28, 2018 |
![]() |
In the last class, we assembled the frame of our drone. We used carbon pipes and white joints ma... December 12, 2018 |
![]() |
Our team has been making octocopter. Last week, we assembled CFRP pipes and PLA joints into outer... December 05, 2018 |
![]() |
In this class, our team are creating an octocopter. Today we made some joints with 3D printer whi... November 28, 2018 |
![]() |
Our drone’s concept is that “to be free to rotate in any direction in the air”. The body has a r... November 21, 2018 |
![]() |
Today was the first flying test. To make the long story short, our robot did not fly. This was be... July 27, 2018 |
![]() |
We change its electronic central control system (ECCS) with a new one. As changing its ECCS, we s... July 11, 2018 |
![]() |
This week, we have worked to connect the main wing, horizontal stabilizer, vertical stabilizer an... July 11, 2018 |
![]() |
This week the other wing was fitted with the same poly-carbonate sheet cover as well. The cover w... July 11, 2018 |
![]() |
We built the structure of the drone, and its electric components. However, one of its motors did ... July 04, 2018 |
![]() |
Hello, this is Yokomura of Group B. Our group is working on the production aiming for a stylish d... July 04, 2018 |
![]() |
4 July report Today we worked on main wing and wiring cables of motors. 2 of us made main wing an... July 04, 2018 |
![]() |
This week we added forward portion of covering material for the wing. The covering is made from t... July 04, 2018 |
![]() |
This month, we have brought our flight model airplane to completion. This airplane was designed t... June 27, 2018 |
![]() |
Our team bought the thick Balsa wood from Tokyu Hands. We made the wings by laser. We also made t... June 27, 2018 |
![]() |
Today, we concentrated on making our drone’s body, because the controlling team, which use softwa... June 27, 2018 |
![]() |
This week, we firstly decided how to connect the rudder to the vertical stabilizer. At first, we ... June 27, 2018 |
![]() |
On June 27, we were able to bring the fixed wing aircraft part closer to completion. He made up t... June 27, 2018 |
![]() |
This week additional wing was assembled using parts created in previous weeks. The faulty body fr... June 27, 2018 |
![]() |
This week we mainly focused on cutting out balsa wood and checking the circuit. At very first sta... June 20, 2018 |
![]() |
This week, all parts required for wings were completed. This means that all the ribs were cut usi... June 20, 2018 |
![]() |
Our ‘Designing’ Team has already completed making the multicopter. Next week, we are going to con... June 20, 2018 |
![]() |
Today, we finally finished making a half of the main wing. We thought that it would take very lon... June 20, 2018 |
![]() |
Hi, I’m Ogishi. This week, we, group A, finally began making a prototype of our drone. People in ... June 13, 2018 |
![]() |
Last week, we completely making the main wings. Please look at this picture (picture 1). I think ... June 13, 2018 |
![]() |
The overall concept has been decided so far, but we didn’t decide concrete shape of the parts, an... June 13, 2018 |
![]() |
This week, all the ribs were reinforced, and the assembly for drag rudder and elevon began. The i... June 13, 2018 |
![]() |
Our aime in this week was to completing main part of our plane's body(including the wing, tail an... June 13, 2018 |
![]() |
Body making section of our team cut out body from plywood, using laser printer. Our first plan wa... June 06, 2018 |
![]() |
Our team aims at creating one aircraft with which something can be brought from one point to a de... June 06, 2018 |
![]() |
This week, carbon fiber reinforced plastic rod, which will act like one of the spars to hold all ... June 06, 2018 |
![]() |
Today, our team mainly did two things. We made a big progress on the structure of the horizontal ... May 30, 2018 |
![]() |
This time we started to make the horizontal tail using balsa timbers. This photo is the scene I t... May 23, 2018 |
![]() |
This week, we have finished building our first flight model and started the test flight with a ma... May 23, 2018 |
![]() |
The Pixracer, which is the main controller of our drone had arrived, and this day was the first ... May 23, 2018 |
![]() |
We finished the vertical tail, the horizontal tail . The horizontal tail was nearly complete in t... May 23, 2018 |
![]() |
The goal of our team consists of mainly two factors. The first is to enable the drone to catch a ... May 23, 2018 |
![]() |
23 May Report Today, we worked on the main wing. In before class we started to make it, but we we... May 23, 2018 |
![]() |
Today, we started to assemble parts of our plane wings. We made the parts we cut from balsa sheet... May 23, 2018 |
![]() |
Our group gathered for the third time this week. Our homework for this week was to decide the air... May 16, 2018 |
![]() |
Hello there. I’m Ogishi, a member of group-A in the Flying Robot Project. On the night of May 16,... May 16, 2018 |
![]() |
Today we have completed the first version of our elevator and rudder. We were all very excited be... May 16, 2018 |
![]() |
This week, we started to produce the ribs from balsa wood board. An entire wing was modeled using... May 16, 2018 |
![]() |
In the last week’s activity, our team found that the strength of the structure was lacking to hol... May 09, 2018 |
![]() |
This week, we have assembled our aircraft. The airplane on the right side of this picture is the ... May 09, 2018 |
![]() |
Let us start today’s briefing with this picture of a TRAGEDY that has fallen upon the piece we ma... May 09, 2018 |
![]() |
Last week, We decided the structure and material of the flying robot's framework concretely, so w... May 09, 2018 |
![]() |
This week, the structural 3-dimentional diagram for our plane was completed. Adjustment based on ... May 09, 2018 |
![]() |
Hi, my name is Matsuura. I will report the progress of today’s meeting. In previous class, we dis... May 02, 2018 |
![]() |
Based on the meeting about the design of our model, we have created the model with CAD software b... May 02, 2018 |
![]() |
This week, we specifically designed the folding and unfolding mechanism of the airframe. After in... May 02, 2018 |
![]() |
This time we discussed the specific structure of the plane. It was necessary to change some point... May 02, 2018 |
![]() |
Today our team discussed our blueprint with our TAs. Our wing structure is going to be VERY stron... May 02, 2018 |
![]() |
Today our team discussed our blueprint with our TAs. Our wing structure is going to be VERY stron... May 02, 2018 |
![]() |
The biggest goal of group A is to make multicopter capable of winning the Flying Robot Competitio... April 25, 2018 |
![]() |
Last week’s lesson was the third one of Flying Robots course and we started to make our flying ro... April 25, 2018 |
![]() |
Diary: Designing our aircraft and determining details 18/04/25 On April 25, largely we did two ta... April 25, 2018 |
![]() |
Hello, this is G team in the Tokyo University’s class in which we try to make flying robots. At f... April 25, 2018 |
![]() |
Up to now, main components of the aircraft are almost finished. Today, each member engaged in dif... December 13, 2017 |
![]() |
On December 6, we almost finished assembling the main wing, even though the ailerons must be atta... December 06, 2017 |
![]() |
4 millimeter square carbon pipes had arrive and we started working on the wings. We chose square ... November 29, 2017 |
![]() |
As ordered parts had not yet arrived, we worked on other parts. We finished cutting ribs and wing... November 22, 2017 |
![]() |
This week we wrote aircraft blueprint with a CAD software. We got used to using the new software.... November 08, 2017 |
![]() |
On November 8th, the team moved on to begin the wing construction. With the prior week's wing des... November 08, 2017 |
![]() |
On November 1st, we started the session by closing out the remaining construction of the horizont... November 01, 2017 |
![]() |
This week we wrote the aircraft blueprint with a CAD software. We will make parts of the aircraft... November 01, 2017 |
![]() |
As a business model by using drones, I suggested a cleaning agency of windows of buildings and ap... October 25, 2017 |
![]() |
After spending a few weeks planning the structure of the plane, we began to actually build the fr... October 25, 2017 |
![]() |
This week we designed the detailed structure of our plane. Each member drew drafts based on the i... October 18, 2017 |
![]() |
We created a plan for the Multicopter. We will create the Multicopter for sport.We will set the M... October 18, 2017 |
![]() |
First we finished things undone, leading edge, trailing edge and fin. We chose hinoki as material... July 05, 2017 |
![]() |
We continued on constructing wings. To reinforce them, we added gusset plates on intersection poi... June 28, 2017 |
![]() |
We heve started working on the lower wing this time.However it was unexpectedly difficult to atta... June 28, 2017 |
![]() |
We continue to work on the circuit parts and the body. About camera, we have trouble controlli... June 28, 2017 |
![]() |
This week we started constructing wings. We almost finished constructing right wing. It was very... June 21, 2017 |
![]() |
This week, we performed an operation check of a camera module. Using an oscilloscope, we were sur... June 21, 2017 |
![]() |
This week we made the main wing. We glued the left wing and the right wing together, and we cover... June 21, 2017 |
![]() |
Progress this week 1) Attached the wing, vertical/horizontal tail wing, and rotor mount to the f... June 14, 2017 |
![]() |
This week we continued on making components. Because of troubles, for example the component we d... June 14, 2017 |
![]() |
We have started to make the parts out of veneers using the laser cutter. We have ordered motors ... June 14, 2017 |
![]() |
Progress this week 1) Finished making adjustments to the wing to make it detachable (Fig 1.) 2)... June 07, 2017 |
![]() |
This week we started making components with laser cutter and 3d printer. We gradually learned how... June 07, 2017 |
![]() |
We cut down some parts from balsa wood with laser cutter. Any parts had not reached us yet, so w... June 07, 2017 |
![]() |
Progress this week 1) Wrapping the tail wings with thin sheet of paper 2) 3-D print the mount f... May 31, 2017 |
![]() |
This week, we finished making the frames of the stabilizers, the elevator, and the rudder. And we... May 31, 2017 |
![]() |
This week we planned to cut components, but we couldn't finish it because of trouble in draft fil... May 31, 2017 |
![]() |
Progress this week 1) Made the 2nd draft of the blueprint (revised the airfoil ribs and attachme... May 24, 2017 |
![]() |
This week we discussed detail drawings. Since we don't plan to entry flying robot contest, we don... May 24, 2017 |
![]() |
This week, we considered parts of the multicopter moreover. We found that the thrust of the motor... May 24, 2017 |
![]() |
Our concept is a tail-sitter aircraft (vertical takeoff and landing aircraft or VTOL aircraft) wi... May 17, 2017 |
![]() |
This week we decide concept of our robot,and make a draft of the robot. We plan to make fixed-wi... May 17, 2017 |
![]() |
Based on the concept of structural strength and good looks, we decided to make biplane aircraft a... May 17, 2017 |
![]() |
This week we drew 初期三面図. All of us don't have experience in making models, and thought it to be a... May 17, 2017 |
![]() |
I’m Watanabe Takafumi, a member of the Team A. The Team A is going to take part in the 2017 Flyin... May 17, 2017 |
![]() |
This week, we finished making electrical circuit. We need more test because this circuit is somew... January 18, 2017 |
![]() |
This week our team finished making our plane. We repaired the damage caused by the last flight,... January 11, 2017 |
![]() |
This week, we started cutting of quadcopter's frame. We already finished 2D-design and using laze... December 21, 2016 |
![]() |
This week, we made the structures to move the elevators or rudders and cut balsa wood to make the... December 21, 2016 |
![]() |
Last week we discussed the aileron linkage but we did not have enough time and we decided to fly... December 21, 2016 |
![]() |
[Activities of last week] Last week we did the following: Adhered the tail wings Attached a ... December 21, 2016 |
![]() |
We succeeded to move 9 axis sensor (MPU - 9250) with mbed. Data in the image was obtained at res... December 14, 2016 |
![]() |
[Work of this week] We cut carbon sticks to use for plane body or rotation axis of the main win... December 14, 2016 |
![]() |
This week, we designed a part to mount the circuit board. We also soldered the electronic compon... December 14, 2016 |
![]() |
[Activities of last week] Last week we did the following: Installed the ladder and the elevat... December 14, 2016 |
![]() |
This week our team modified the main wing, and made a prototype of the electric circuit that sha... December 07, 2016 |
![]() |
[Activities of last week] Last week we did the following: Pasted paper on the main wing Cond... December 07, 2016 |
![]() |
【Programming】 We succeeded to read the acceleration and gyro sensor value without the library we... November 30, 2016 |
![]() |
[Activities of last week] Last week I did the following: Made the flap framework, pasted pape... November 30, 2016 |
![]() |
We made most part of sennsor program this week and we will test this program next week. Some elec... November 23, 2016 |
![]() |
Last week the main wing was almost completed, but twisting both ends of it we discovered that the... November 23, 2016 |
![]() |
This week, we started detailed design of hardware and software programing. Quadcopter has a compl... November 16, 2016 |
![]() |
We started to design the ribs. We got the coordinate data of the airfoil, dotted and joined the p... November 16, 2016 |
![]() |
This week our team continued making the main wing. We put in the trailing edge and the other di... November 16, 2016 |
![]() |
[Activity of last week] We did following things in last week. Bond stringers. Check assembly... November 16, 2016 |
![]() |
This week, we made horizontal tail. Our horizontal tail is flat plate wing, so we can make the ta... November 09, 2016 |
![]() |
【Work of the week】 Cutting out ribs of main wings by laser-cutter. Attaching a part of ribs to ... November 09, 2016 |
![]() |
[Activity of last week] We did following things in last week. Start making frame of the verti... November 09, 2016 |
![]() |
The main point of making a quadcopter is programming. This time we tried to write a program to ... November 02, 2016 |
![]() |
This week, we almost completed making the tail wings. Also, we started making components of main ... November 02, 2016 |
![]() |
[Activity of last week] We did following things in last week. Complete detail designing of th... November 02, 2016 |
![]() |
The concept of Team D is to make a quadcopter which mounts a camera. In this week we made a initi... October 26, 2016 |
![]() |
【Outline】 I would like to start on with some explanation of the outline of our plane. We are pla... October 26, 2016 |
![]() |
Our team has been discussing about our model plane since the last class was over. Based on the r... October 26, 2016 |
![]() |
[Introduction] Our team, team A intend to improve Kyutan, the flying robot we made last year, in... October 26, 2016 |
![]() |
|
![]() |
This week, we completed the 3rd plane. It was needed to make a drop system for an airdrop mission... August 05, 2016 |
![]() |
This week, we engaged in making the 3rd airplane. In this time, we changed both the wing and bod... July 29, 2016 |
![]() |
This week, we made the second prototype. We changed the main wing completely. The features of the... July 23, 2016 |
![]() |
July 13, 2016 |
![]() |
[Summary of a weekly work] We have been making efforts to improve the performance of infrared (I... July 13, 2016 |
![]() |
We are continuing developing our autonomous control system. For computation, we use a microcontro... June 08, 2016 |
![]() |
[Summary of this week] In this week, we completely made our plane. Our plane’s weak point was th... June 01, 2016 |
![]() |
[Summary of a weekly work] We have been testing IR sensors and making the frame of the aircraft ... May 25, 2016 |
![]() |
Summary of weekly works We assembled an infrared (IR) projector for IR guidance system, and te... May 18, 2016 |
![]() |
In last two weeks, we made 3d model of our flying robot and discussed the detail structure. Our f... May 11, 2016 |
![]() |
[Summary of a weekly work] Last week our team studied how to achieve implementation of autopilot... May 04, 2016 |
![]() |
[Summary of weekly work] We made an initial three-view layout and determine the specification. ... April 27, 2016 |
![]() |
Last week our aircraft was hard to turn left and couldn't fly stably in the 1st test flight. The ... July 13, 2016 |
![]() |
In this week we completed building our plane. On the day before the test flight we finished maki... July 13, 2016 |
![]() |
This week, we almost completed making our plane. Also, we finished testing our autopilot system. ... July 06, 2016 |
![]() |
This week what we first did was fixing the main wing of our plane. Last week we accidentally brok... June 30, 2016 |
![]() |
This week we mainly made main wings and fuselage-wing connection parts. As you can see from the p... June 22, 2016 |
![]() |
This week, we almost completed making the framework of the main wings. Also, we finished making t... June 15, 2016 |
![]() |
This week we began to make main wing of our plane. Because our main wing is gull wing we had to c... June 08, 2016 |
![]() |
This week we finished making the most of the empennage of our plane. The empennage will be compl... June 01, 2016 |
![]() |
This week we have a meeting based on feedback from teaching assistants. The contents of the meet... May 25, 2016 |
![]() |
This week our team made a first draft of the construction drawing for our model plane. Last week... May 18, 2016 |
![]() |
This week our team made a third draft of the 3-view drawing for our plane. Last week we made a ma... May 11, 2016 |
![]() |
This week, we rewrote our initial three-view drawing of the plane with smaller and smarter wings.... May 04, 2016 |
![]() |
This week our team drew a 3-view drawing of the plane we intend to make. Firstly, we determined... April 27, 2016 |
![]() |
Last week, we decided to change the shape of the wing. So, in this week, firstly, we revised ... July 13, 2016 |
![]() |
In this week, we conducted the first flight test. In advance, we prepared a giant box made of ... July 13, 2016 |
![]() |
This week our team finished making the plane. We attached electrical components to the body of t... July 06, 2016 |
![]() |
In this week, we finished an estimation of the center of gravity of the aircraft and making wheel... June 30, 2016 |
![]() |
Outline of this week’s activity is that we completed to make a main wing and set about making whe... June 22, 2016 |
![]() |
This week we made progress especially in making the main wing. We had prepared the front and rear... June 15, 2016 |
![]() |
Summary of this week In this week, we continued making our plane. We cut and bended wood sticks ... June 09, 2016 |
![]() |
In this week, we started to produce the plane we design. First of all, we prepared full-sized blu... June 01, 2016 |
![]() |
In this week, we prepared to actually make our plane. In this week’s class, we learned how to us... May 25, 2016 |
![]() |
First, we revised the early drawing and review the structural drawing concerning how should we a... May 18, 2016 |
![]() |
In this week, we almost completed the primary 3-view drawing of our project. We had been pointed ... May 11, 2016 |
![]() |
[Summary of a weekly work] First we learned how to use CATIA, one computer-aided design softwar... May 04, 2016 |
![]() |
In this week, our team discussed the concepts of our plane, and made the initial three-view drawi... April 27, 2016 |
![]() |
On Wednesday in last week, we had the last flight test in Gotenshita Gym. In the former flight te... July 13, 2016 |
![]() |
This week we completed our aircraft and committed a flying test. And the result was fortunately ... July 13, 2016 |
![]() |
This week, we finished making electrical parts, strengthening the bond between body and the main... July 06, 2016 |
![]() |
This week, we finished constructing the main wing. We completed making the flame of the wing and ... June 30, 2016 |
![]() |
In this week, our team's wing was approaching complication. We finished making its frame, decidin... June 30, 2016 |
![]() |
This week we made the frames of main wings with wood. Firstly we used 3D CAD called Autodesk Inve... June 15, 2016 |
![]() |
After the 8th lecture, we only finished making frames of a fin and elevons. It seemed to take muc... June 09, 2016 |
![]() |
Last week we started to construct our airframe. We made a rudder of a vertical tail and two ailer... June 01, 2016 |
![]() |
In this week, we drew the exact size drawing of building a vertical tail and elevons. Following a... May 25, 2016 |
![]() |
Our main tasks of this week are an improvement of airfoil shapes and drawing a plan in conside... May 18, 2016 |
![]() |
This week, our team converted the policy of the designing our robot. We were going to make a fl... May 11, 2016 |
![]() |
After the 3rd lecture, we took many technical advice on our plane’s design from teaching assistan... May 04, 2016 |
![]() |
We started only this one concept paper. The concept we had in common is to create unique and cool... April 26, 2016 |
![]() |
[Summary of a weekly work] This week we tested our aircraft for the 2nd time and made a presenta... July 13, 2016 |
![]() |
Achievements As a whole, the flying of our aircraft is very stable. No big problems happened. Ou... July 13, 2016 |
![]() |
[Summary of a weekly work] This week, we completed making the airplane. In detail, we attached... July 06, 2016 |
![]() |
This week our team have accomplished two big tasks. One task was an improvement of main wings. Al... June 30, 2016 |
![]() |
In this week, we succeeded in achieving 2 main points. First we connected the body of flying robo... June 22, 2016 |
![]() |
[Summary of a weekly work] This week, we made a tailplane and a main wing, consulting the figure... June 15, 2016 |
![]() |
Last week, we 4 members finished the mid-term examinations well. So we moved to put much emphasis... June 09, 2016 |
![]() |
This week our team have made a framework of the vertical tail. Last week we had made 3D models of... May 30, 2016 |
![]() |
This week our team has made 3D models of some parts of SAKURA. To cut a board with a laser cutter... May 25, 2016 |
![]() |
In this week, we improved the drawing to some degree. We had been pointed out that our sketch had... May 18, 2016 |
![]() |
[Summary of a weekly work] This week, we drew a 3-view drawing, consulting the primary 3-view dr... May 11, 2016 |
![]() |
[Summary] This week, we upgraded previous data, and calculated various elements about our airpl... May 25, 2016 |
![]() |
[Summary of a weekly work] This week, we decided various elements about our airplane, and we cr... April 27, 2016 |
![]() |
In the first test flight last week, our plane “Alpha” flied for sure. However, the main wing twi... July 13, 2016 |
![]() |
We conducted the 1st test flight this week. We were nervous that “Alpha” could not fly, but it ce... July 13, 2016 |
![]() |
This week, we have finally completed crafting the first version of our plane and prepared a case ... July 06, 2016 |
![]() |
Last week, we moved on to the first phase of the final step. Firstly, we attached the main wing ... June 30, 2016 |
![]() |
We assembled the right wing and the left wing and the center rib. We also assembled the center ri... June 22, 2016 |
![]() |
This week, we succeeded in crafting frames of a main wing and ailerons. Last week, we realized th... June 15, 2016 |
![]() |
This week, we had planned to start crafting the main wing. However, one of the team members who h... June 07, 2016 |
![]() |
In the last class, we at last began making the plane, the main process of the course. The first ... June 01, 2016 |
![]() |
We were lectured how to use the laser cutter and the flight simulator, and how to cut and assembl... May 25, 2016 |
![]() |
Last week, after the teaching assistants explained the details of each parts, we had a free time... May 18, 2016 |
![]() |
Since we had several holidays this week, we did not have classes. Despite that, thanks to the TA ... May 11, 2016 |
![]() |
This week, we mainly discussed a 3-view drawing and submitted the amendment of the drawing. Last ... May 04, 2016 |
![]() |
Our goal of this week was to complete the first 3-view drawing. In order to accomplish this, we n... April 27, 2016 |
![]() |
2016S Semester 2nd 4/13 Today, we began the 2nd session of our project. Today’s theme was conc... April 13, 2016 |
![]() |
Flying Robot Project for the 2016 summer semester has started. We staff members have been continu... April 06, 2016 |
![]() |
We had our second test flight in the same gymnasium. In our last test flight, we noticed that th... January 25, 2016 |
![]() |
2015 winter semester team (VTOL aircraft team) It’s a second time Flight test today. Using two... January 25, 2016 |
![]() |
We had our first test flight this day. We went to a civic gymnasium near our university. We achi... January 20, 2016 |
![]() |
1回目の飛行試験を行った。 飛行試験でははじめに通常の固定翼機として飛行させ、成功した。 また、マルチコプター用のローターを姿勢制御なしで作動させ揚力が十分に発生することを確認した。 さら... January 20, 2016 |
![]() |
Happy New Year!! This was our first meeting of the year. Today, we tried to integrate the system... January 06, 2016 |
![]() |
This week, principally, we made electric wiring with soldering. Moreover, we put forth motor full... January 06, 2016 |
![]() |
We started to integrate our system. On the quad copter, we will place two microcomputers. One of ... December 16, 2015 |
![]() |
Almost the airframe assembling is completed by the class of this week. We’re going to wire motor... December 16, 2015 |
![]() |
We kept on working to keep aircraft maintain designated altitude. The vibration is getting smalle... December 09, 2015 |
![]() |
For the reason that the 3D printer that belongs to the Flying robot project was out of order, we ... December 09, 2015 |
![]() |
We started to work on our automated control system of the quad copter. We will program the microc... December 02, 2015 |
![]() |
This week, we attempted to make joint components with 3D printer. However, 3D printer didn’t work... December 02, 2015 |
![]() |
We kept on working to make our aircraft fly stably. We changed the microcomputer of the aircraft ... November 25, 2015 |
![]() |
Last Friday, we made frame of the tail wing and cut members of the main wing, so we continued c... November 25, 2015 |
![]() |
There is a laboratory that works on quad copter in the department of aeronautics and astronautics... November 18, 2015 |
![]() |
We made the center rib and wing-body junction with a laser cutter, and readjust them. In paralle... November 18, 2015 |
![]() |
This week we worked on adjusting the control system. We are using a PID controller to control pit... November 11, 2015 |
![]() |
We tried to cut out some parts of the plane which we designed using 3dCAD based on the result of ... November 11, 2015 |
![]() |
Hello, this is the quad copter team. Our team name is i-Pochi, as our goal is to make an aircraft... November 04, 2015 |
![]() |
We were not clear on our allocation of tasks, so we were not able to work efficiently. So in the ... November 04, 2015 |
![]() |
The Contest was finished. Unfortunately, the result is the 3rd place. However, we are satisfied w... September 30, 2015 |
![]() |
Taking the results of the last test flight at the Ota-City General Gymnasium, we changed the desi... September 24, 2015 |
![]() |
We conducted test flights at Ota-City General Gymnasium where the Contest will be held. Because o... September 18, 2015 |
![]() |
We diverted the main components from the 2nd airfoil to the 3rd airfoil and make new propeller gu... September 08, 2015 |
![]() |
We conducted test flight and practice for the contest. Our multicopter flew successfully without... September 02, 2015 |
![]() |
Assemble of our multicopter has completed. The following lists are specs; Material: aviation pl... August 21, 2015 |
![]() |
We have started to assemble our multicopter version 2. We don't use multiwii for version 2 multi... August 10, 2015 |
![]() |
We used press fitting as a new attaching method of the propellers. The cause of instability and f... August 06, 2015 |
![]() |
We installed new motors we ordered last week, and furthermore, we made test flights. We found tha... July 31, 2015 |
![]() |
We had a meeting for the contest since we finished examinations and reports. The cause of instabi... July 24, 2015 |
![]() |
The result is that we were 9th place in the competition and 1st place in the poster session. Abou... September 28, 2015 |
![]() |
On September 27th, the final day of the Flying Robot Contest, we were 9th place in the final roun... September 27, 2015 |
![]() |
On September 26th, the second day of the Flying Robot Contest, we got passed the preliminary roun... September 26, 2015 |
![]() |
On September 25th, a first day of the Flying Robot Contest, we helped the site management, displa... September 25, 2015 |
![]() |
In the contest, we get points if the plane collects magnet locks with ribbon and comes back to a ... September 23, 2015 |
![]() |
On September 16th, we found that our airplane’s airfoil was not good. Clark Y is adopted for the... September 16, 2015 |
![]() |
When we made experimental flight a few days ago, our plane failed to turn somersault and then cra... September 09, 2015 |
![]() |
In the contest, chicken ramen mini will be used as relief supplies. On September 2nd, we made a r... September 02, 2015 |
![]() |
On August 26th, firstly, we made wing-body junction slim and easy to attach and detach. Specifica... August 26, 2015 |
![]() |
In the contest, we have to load relief supplies and payload on the plane, so body weight will be ... August 18, 2015 |
![]() |
1 team per university can participate in the general category of the Flying Robot Contest which w... August 11, 2015 |
![]() |
In the test flight which was held on July 28th, our plane tended to turn left with no operation. ... August 03, 2015 |
![]() |
We tested our plane in flight at Edogawabashi gymnasium. Our main aim this time was improvement o... July 28, 2015 |
![]() |
On July 24th, we made improvements on fixing method for main landing gears because in the test fl... July 24, 2015 |
![]() |
We made a final result presentation on July 15, 2015. In the presentation, we reported about the... July 15, 2015 |
![]() |
This week , based on the result of the previous flight test , we discuss the future of the policy... July 08, 2015 |
![]() |
I will talk about the 3rd test flight on July 6. In the 2nd test flight, we adjusted gain paramet... July 06, 2015 |
![]() |
This week, we made experimental flights of the 1st prototype. The phenomenon that crashed immedia... July 01, 2015 |
![]() |
Today, we checked operation of control board of qurdcopter. First we checked that the controller ... June 24, 2015 |
![]() |
In today’s activity, we cut a frame and stiffening ribs of 2nd prototype by laser cutter. It is... June 22, 2015 |
![]() |
In today’s activity, we continued to assemble the 1st airframe. As the solution of the last week’... June 10, 2015 |
![]() |
Today, we have started to assemble the first airframe. Its structure is so simple that we could b... June 03, 2015 |
![]() |
Today, we will describe the action policy of team F. At the beginning of May, we draw up a plan a... May 27, 2015 |
![]() |
Weekly report from team F. We all work on this project for winning the Flying Robot contest in t... May 20, 2015 |
![]() |
On July 15th, the result presentation meeting was held. We explained the concept of our plane and... July 15, 2015 |
![]() |
After the flight test, we held a meeting and evaluated our plane. Summary of opinions are shown b... July 08, 2015 |
![]() |
On July 6th we did the flight test, but the plane did not fly. Negative pitching moment was too... July 06, 2015 |
![]() |
Finally, we finished making the plane. At the final stage of crafting, there were some problems s... July 01, 2015 |
![]() |
A big mistake in the drawing of the wing was discovered, so we decided to remake the wing from al... June 24, 2015 |
![]() |
On June 17th, we pasted paper sheets on the frame of elevon, rudder and vertical stabilizer, and ... June 17, 2015 |
![]() |
This week, we created the frames of elevon and vertical stabilizer. We placed one balsa wood on e... June 10, 2015 |
![]() |
First, we learned processing method of materials and moving method of electrical system. And then... June 03, 2015 |
![]() |
Today a problem of design was pointed out. The number of beams placed near the center of the wing... May 27, 2015 |
![]() |
This is the first report from team E. From last week we have started designing our airplane, but ... May 20, 2015 |
![]() |
We had the presentation meeting today. Each team gave a presentation about their activity in this... July 15, 2015 |
![]() |
Having finished our test fly, we are now going forward to a presentation held next week, which i... July 08, 2015 |
![]() |
On July 6, 2015, we finally examined our planes in a gym nearby. Battery loaded and the main wing... July 06, 2015 |
![]() |
We have managed to unite the left and right main wings, stretch a string amongst the main wing i... July 01, 2015 |
![]() |
We finally completed the main wings on Friday 26 June. As is the same situation since last few we... June 24, 2015 |
![]() |
Project has been delayed. According to the first plan, the frame of the main wing should be compl... June 17, 2015 |
![]() |
Intensive construction of the plane has begun. We are to show the completed aircraft on July 6th ... June 10, 2015 |
![]() |
We started building the plane this week. Working place has changed from a classroom to the factor... June 03, 2015 |
![]() |
Last week we submitted secondary three-plane drawings in which specification was much more detail... May 27, 2015 |
![]() |
Weekly report from team D. There held on May 20th the presentations about the first draft partic... May 20, 2015 |
![]() |
Weekly report from team C. On July 15th, the result briefing was held. We explained our comple... July 15, 2015 |
![]() |
Weekly report from team C. On July 8th, we looked back on a sequence of activities. Certain me... July 08, 2015 |
![]() |
On July 6th, we tested our plane in flight at Bunkyo general gymnasium. It had no problem about ... July 06, 2015 |
![]() |
Weekly report from team C. On July 1st, we soldered electrical equipment together, then confor... July 01, 2015 |
![]() |
Weekly report from team C. On June 24th, we made connecting structure of wheel and rib with pi... June 24, 2015 |
![]() |
On June 17th, we pasted sheets of paper on the frameworks of vertical stabilizer, horizontal sta... June 17, 2015 |
![]() |
Weekly report from team C. On June 10th, we processed sheets of balsawood into the main spar, ... June 10, 2015 |
![]() |
Weekly report from team C. On June 3rd, we learned how to process balsawood into wing and how ... June 03, 2015 |
![]() |
Weekly report from team C. On May 27th, we gave a presentation on a structural drawing about o... May 27, 2015 |
![]() |
Weekly report from team C. On May 20th, we gave a presentation on a three view rough drawing abou... May 20, 2015 |
![]() |
Weekly report from team B. As today's class was the final class of the semester, each group did a... July 15, 2015 |
![]() |
Weekly report from team B. Today was a clean-up day. After cleaning up our workspace, there were ... July 08, 2015 |
![]() |
Weekly report from team B. Today was the day of test flight. First thing we had to do was to carr... July 06, 2015 |
![]() |
Weekly report from team B. The first thing we did this week was to finish the work on the wing. W... July 01, 2015 |
![]() |
Weekly report from team B. This week, we managed to finish the construction of the wing for the m... June 24, 2015 |
![]() |
Weekly report from team B. Our goals this week were to cut out the ribs for the wing, and to star... June 17, 2015 |
![]() |
Weekly report from team B. We continued to work on the tailplane and the vertical tail during the... June 10, 2015 |
![]() |
Weekly report from team B. We finally started making an airplane. We decided to begin crafting fr... June 03, 2015 |
![]() |
Weekly report from team B. In this week's class, we presented our structural three-view drawing w... May 27, 2015 |
![]() |
Weekly report from team B. What we did this week was to improve our basic airplane design based o... May 20, 2015 |
![]() |
Weekly report from team A. We completed our entire project and gave a presentation. We reported t... July 15, 2015 |
![]() |
Weekly report from team A. We finished the test of our plane on Monday. So We discussed what is w... July 08, 2015 |
![]() |
Weekly report from team A. We brought our plane to Bunkyo Sougou Taiikukan (Bunkyo General Gym), ... July 06, 2015 |
![]() |
Weekly report from team A. At last we have finished manufacturing the aircraft. Thanks to help fr... July 01, 2015 |
![]() |
Weekly report from team A. We have already made a vertical tail assembly, a horizontal tail assem... June 24, 2015 |
![]() |
Weekly report from team A. The tail wings flame had been completed last week, and we set about ma... June 16, 2015 |
![]() |
Weekly report from team A. We have started a horizontal tail and vertical tail last week. First, ... June 10, 2015 |
![]() |
Weekly report from team A. We’ve started making frames of our airplane. Before making them, we le... June 03, 2015 |
![]() |
Weekly report from team A. What we’ve done this week is making the structure three-view drawing a... May 27, 2015 |
![]() |
Weekly report from team A. We’ve started designing our airplane. Our concept is giving the suffic... May 20, 2015 |
![]() |
Weekly report from team B, automatic controlling. Our airplane had successfully operated in auto... January 28, 2015 |
![]() |
This is a report of B team’s first test flight. We completed our airplane composed of separately... January 27, 2015 |
![]() |
Weekly report from team B, automatic controlling. We have been assembling our airclaft this week... January 14, 2015 |
![]() |
Weekly report from team B(automatic controlling). This week we have presented our midterm report... January 07, 2015 |
![]() |
This week, we gave a cut of the center rib and the wing ribs by laser cuter. In addition, because... December 17, 2014 |
![]() |
Correcting and confirming structure design, we started to make the actual plane since last week. ... December 10, 2014 |
![]() |
Weekly report from team B(automatic controlling). This week we have decided the concrete schedul... December 03, 2014 |
![]() |
We prepared the structural three-dimensional figure until today and in the lecture, we gave a pre... November 26, 2014 |
![]() |
Weakly report of the team aiming at automatic control. In this term, it has been clarified wha... November 19, 2014 |
![]() |
The concept of B team is " challenging automatic control ", so we aim to make an airplane which ... November 12, 2014 |
![]() |
Weekly report from team A, making a manned ornithopter. The first version of our airplane did no... January 14, 2015 |
![]() |
Weekly report from team Ornithopter. Our team did a mid-term presentation this week. On December... January 07, 2014 |
![]() |
Weekly report from team Ornithopter. We finished to put a wing surface. to make mounts on whic... December 17, 2014 |
![]() |
Weekly report from team A. (Ornithopter) We completed the framework of the wing that had been ma... December 10, 2014 |
![]() |
Weekly report from teamA,making a mannered ornithopter. This week we started to build a tail w... November 26, 2014 |
![]() |
Weekly report from team A. This semester for the flying robot project, we have decided to make a... November 19, 2014 |
![]() |
Weekly report from team Ornithopter. This week we mainly checked the operation of a motor conn... November 12, 2014 |
![]() |
Finally, the contest day was coming. The flight test in the morning, we checked the flight path,... September 28, 2014 |
![]() |
Weekly report from team BATMAN. We took part in the 10th Indoor Flying Robot Contest on Septembe... September 28, 2014 |
![]() |
Today, we did the second flight test. Then we used the lighter battery because weight of our air... September 26, 2014 |
![]() |
Weekly report from team BATMAN. This week we completed the final version of the aeroplane. As yo... September 23, 2014 |
![]() |
We conducted two test flights. One was that we put five beanbags on our aircraft. The other one ... September 18, 2014 |
![]() |
This week we created beanbags dropped equipment, ailerons and a collecting device. Effectiveness... September 16, 2014 |
![]() |
Weekly report from team BATMAN. This week we did not make much progress. In this report, I wil... September 14, 2014 |
![]() |
Weekly report from team BATMAN. We conducted the flight test on September 1st. In the test we... September 07, 2014 |
![]() |
This week, we made a box for a carrying the SKIP UNIT 1. We chose the Styrofoam and plastic card... September 02, 2014 |
![]() |
Weekly report from team BATMAN. This week we made the third version of main wing. The characte... August 30, 2014 |
![]() |
Our airplane is named BATMAN. We completed the second version of the plane in this week. We in... August 21, 2014 |
![]() |
This is the last report of this project as a class. Three teams have conducted their flight expe... July 16, 2014 |
![]() |
This week each team worked on mounting electrical devices to their aircraft. Mainly there are fi... July 09, 2014 |
![]() |
Our aircraft was named SKIP. We would like to introduce our aircraft, SKIP UNIT 1, which we crea... August 21, 2014 |
![]() |
In this week, most of the teams have finished producing the frame of the wing, so they first fil... June 25, 2014 |
![]() |
This week the teams continued the production of the main wings. Each team has different kind of c... June 18, 2014 |
![]() |
This week the teams continued to make their airplanes. Most of the teams started to working on t... June 11, 2014 |
![]() |
This week the teams finally began the actual production of the airplanes. The teams learned how ... June 04, 2014 |
![]() |
This week each of the teams displayed their own aircraft’s structural 3 view drawing by explaini... May 28, 2014 |
![]() |
This week, each of the team first presented their own design of airplane by showing initial 3 vi... May 21, 2014 |
![]() |
This week, we were divided into three groups. These are the groups in which we are going to make... May 14, 2014 |
![]() |
In this week session, from Teacher Tsuchiya, we received an explanation of the contest rules. Ac... May 07, 2014 |
![]() |
In the middle of April, we’ve newly started the flying robot project, which aims to participate i... April 30, 2014 |
![]() |
This time, we conducted the last flight test. Last time we conducted, the plane began vibrating w... March 28, 2014 |
![]() |
This week, we wrote temporary version for the auto flying system and checked the program by using... January 16, 2014 |
![]() |
After winter vacation, we managed to finish the codes for auto pilot and real time downlink. So, ... December 18, 2013 |
![]() |
Last week, we tried to estimate the location and the attitude of the airplane using nine-axis acc... December 11, 2013 |
![]() |
In this class, we reported the characteristics of the sensors and how we used them. We realized t... December 04, 2013 |
![]() |
This week we asked Mr. Tsuchiya, who is an associate professor in the Aerospace Engineering facul... November 27, 2013 |
![]() |
This week, we shared with one another what we did last week and decided the development objective... November 20, 2013 |
![]() |
Last week, we bought Arduino, a micro computer which is widely used all over the world. As our ho... November 13, 2013 |
![]() |
In the last term we made radio controlled indoor airplanes, took part in the competition and we w... November 06, 2013 |
![]() |
In this week, we repaired the main wing of the air plane No.3 and made a new main wing. We did no... October 03, 2013 |
![]() |
We held the fifth flight experimentation in September 30th. We experimented the airplane No.3 whi... September 30, 2013 |
![]() |
The first airplane we made flew smoothly. However, there are two major problems. First of all, ma... September 30, 2013 |
![]() |
In the last two weeks we were trying to make an improvement to the first unit. After the first fl... September 05, 2013 |
![]() |
What we did last week are these. 1:Fix tail planes, main wings and servomoters to the rear part ... August 20, 2013 |
![]() |
“Indoor airplane project” as the classwork of the university has finished. However, we continue t... August 11, 2013 |
![]() |
This day was the last day of the class. For this class we successed to build the main and tail w... July 17, 2013 |
![]() |
Today we prepared to make the wings of our model airplane. First, we cut all parts that are requ... July 10, 2013 |
![]() |
We usually hold this class on Wednesday. However, we gathered this Monday to build our model plan... July 08, 2013 |
![]() |
This week we prepared to laser-cut the parts and do the assembly. For this, we built the wing ca... July 03, 2013 |
![]() |
We held test flights of radio-controlled airplane which we made few weeks ago. We had two purpose... July 01, 2013 |
![]() |
In the last two weeks we drew the structural three-view drawing. First, we changed the size of t... June 26, 2013 |
![]() |
In this week, we checked our design of the model plane in terms of aerodynamics and structural dy... June 12, 2013 |
![]() |
This week we tried a destructive test on the main wing of the “Amembo”. The test was done by atta... June 05, 2013 |
![]() |
This week, we took a lecture about strength of the structure of the main wing. We are planning to... May 29, 2013 |
![]() |
Today we finished building the body of the model RC plane, and tested the motors and the RC syste... May 22, 2013 |
![]() |
We continued making the radio-controlled airplane kit which we started making last week. On the l... May 15, 2013 |
![]() |
In May 8, we started to build a light and high-performance RC-plane, which is a kit and already d... May 08, 2013 |
![]() |
May 01, 2013 |
![]() |
April 24, 2013 |
![]() |
April 17, 2013 |
![]() |
March 08, 2013 |
![]() |
March 01, 2013 |
![]() |
December 29, 2012 |

Based on the concept of structural strength and good looks, we decided to make biplane aircraft and we made initial draft this week. We think there are two points about biplane strength. The first is to shorten the wingspan and to reduce the deformation. The other is to conect the wing tips between two wings and restrain the wings from twisting.
On the other hand, the difficulty of connecting two wings and the large drag are disadvantages of the biplane. We'll try to resolve them in later classes.
Department of Aeronautics and Astronautics
Junior
Aoki, Tomo
構造的な強さと見た目の良さというコンセプトから複葉機を製作することを決定し、今週はその初期設計を行なった。複葉機が構造的に強いと考えられる要因は2つある。主翼のスパンを短くし、翼の変形を防げること。そして、主翼の翼端を結合して翼の捩れを抑制できることだ。
一方で、主翼間の結合の難しさや、大きな抗力は複葉機のデメリットであり、今後の課題である。
航空宇宙工学科3年
青木智